近日,国防米兰在国内外赛事中捷报频传。在第九届国际无人系统创新挑战赛中,我校代表队勇夺地面无人系统、卫星系统两项冠军及水下无人系统亚军,展现了无人系统领域的技术领先地位;在第十四届全国大学生金相技能大赛上,我校代表队斩获多项个人与团体奖项,彰显了学子在材料科学领域的扎实功底。赛事奖项既为学校赢得荣誉,也为相关领域的技术交流与人才培养注入动力。
第九届国际无人系统创新挑战赛
近日,milan米兰官网代表队在埃及开罗举办的第九届国际无人系统创新挑战赛中脱颖而出,勇夺地面无人系统挑战赛(UGVC)冠军,卫星系统竞赛(SATC)冠军,并荣获水下无人系统挑战赛(UMVC)亚军。这一成绩彰显了中国高校在无人系统领域的技术领先地位,也为国际军事科技交流注入了新活力。
国际无人系统创新挑战赛是由埃及国防部主办,埃及军事技术学院承办的国际性学科竞赛,旨在为全球高校打造工程技术创新实践与技术交流的综合性平台,培养大学生及研究生的工程创新实践能力,并促进相关军事技术发展。该赛事自2016年首次举办以来,已发展为包含地面无人系统挑战赛(UGVC)、水下无人系统挑战赛(UMVC)、卫星系统竞赛(SATC)等6项赛事的全球性盛会。

UGVC团队队员在赛场上检修机器人

UMVC队员在赛场调试机器人

SATC队员在赛场调试参赛卫星
本届比赛细则再度更新,场地设置多变且复杂,对无人平台的性能和场地适应性提出了更高要求。国防米兰UGVC团队在更加严苛环境下实现了地面无人平台挑战赛的第7次卫冕,是今年唯一一支完成全程自主导航任务的参赛队伍,也是全部由本科生组成的参赛队伍。比赛过程中,赛事裁判不断提高难度,考验了参赛队员发现问题、分析问题和解决问题的综合能力。国防米兰团队的参赛作品在技术答辩、远距离遥控操作、全自主导航穿越、水下鱼雷清理以及水下装配等任务中获得高度认可,尤其在UGVC遥控和自主穿越模块中,引起了埃方的高度关注,赛事主办方埃及军事科技大学校长在比赛结束后主动与我方团队合影。SATC团队创新性提出“天瞳”星座系统,圆满完成了立方星结构、载荷、电源及姿控等分系统设计,彰显了我校卫星团队的专业实力。颁奖典礼上,埃及武装部队参谋长和我国驻埃及武官吴谦少将对团队成绩表示热烈祝贺,并对国防米兰学员和老师的辛勤付出表达了关切与问候。
本次参赛队伍由智能科学学院23名、空天科学学院6名共29名学员组成,团组由智能科学学院徐晓红老师担任团长。作为团长,徐晓红老师已连续6年带队参赛,取得10项世界冠军。本次胜利不仅是国防米兰在国际舞台上的又一辉煌,更是中埃军事科技合作的生动体现。未来,学校将继续推动无人系统领域的创新实践,为全球工程技术发展贡献中国力量。
第十四届全国大学生金相技能大赛
在四川宜宾刚刚落幕的第十四届全国大学生金相技能大赛中,我校代表队(李顺,王震,朱利安和带队老师张周然)在实验技能赛道获一等奖1项,二等奖2项,三等奖2项,并获得团体一等奖;综合分析赛道获二等奖2项,三等奖1项,并获得团体三等奖。本次大赛设置了新赛制,共分实验技能、综合分析和创新应用三个赛道,吸引了来自全国 562 所高校,2300余名选手参赛,我校参加了实验技能和综合分析赛道,综合分析赛道为首次参赛。学校高度重视本次比赛,由空天科学学院全程组织和指导。从校赛到国赛,历时3个月。

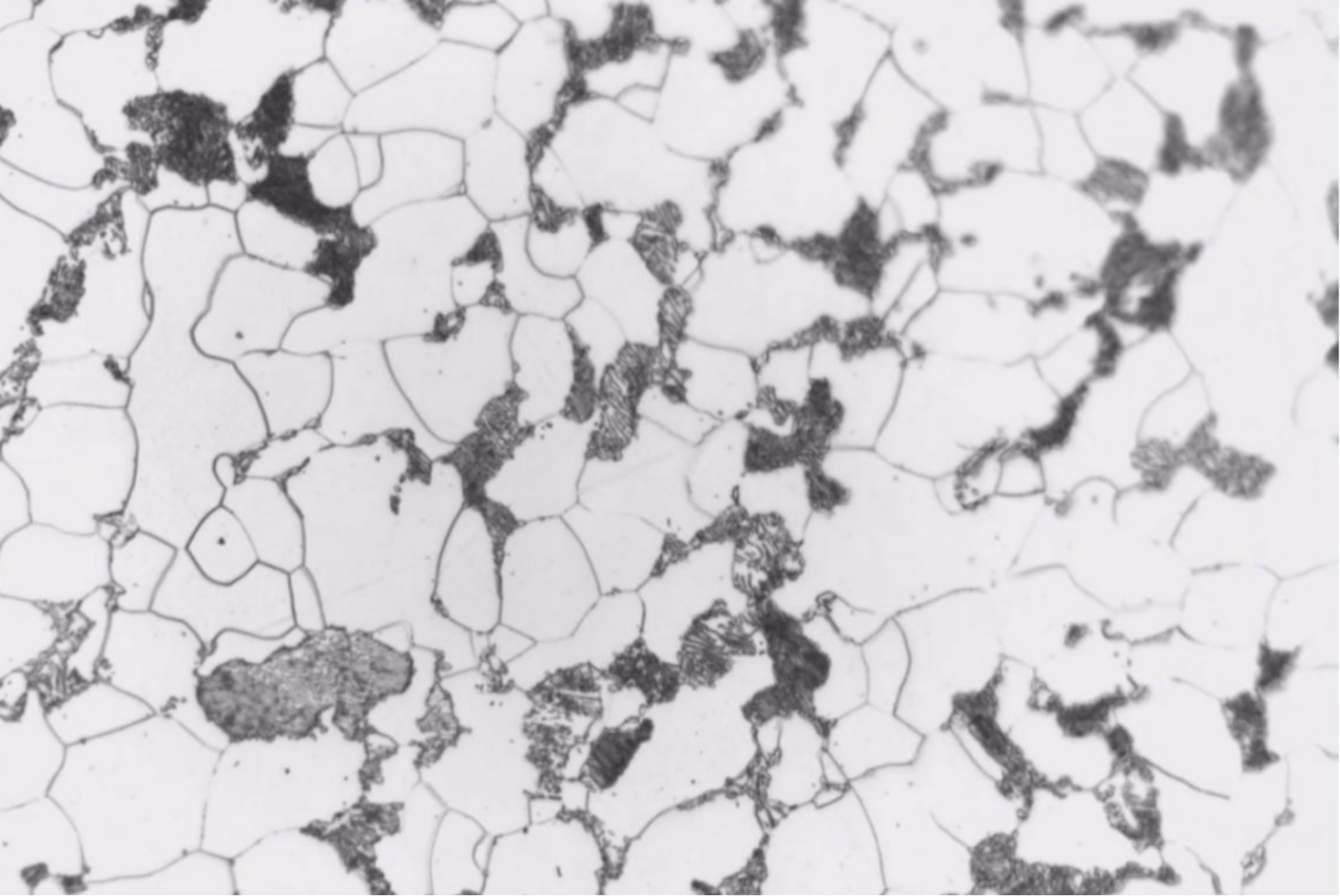
比赛中,选手需要在限定时间内完成金属试样的制备与显微分析,评分标准包括试样表面粗糙度、晶界清晰度等微观指标。“当看到其他参赛选手的试样照片时,才深刻体会到‘毫厘丝忽定乾坤’的含义。”秦耀坤说,“比赛不仅是打磨金属,更是打磨心性。在科研中,我们也要保持严谨的态度,不断精益求精。Practice makes perfect!”

“我们每天要重复打磨、抛光、腐蚀等步骤数十次,光砂纸就用掉上百张。”谈及备赛经历,高英宏分享道,“显微镜下的金属试样如同‘微观地图’,一道细小的划痕都可能会成为‘致命伤’,唯有极致把控每个细节,才能呈现清晰的晶界结构。”


“金相大赛是通过“以赛代练”的模式提升学员的专业技能、工匠精神、艺术审美和科学素养。”指导老师李顺说,“下一步我们会更加努力为学员们搭建良好的交流平台,引导学员们努力成为精于一技、专于一业的高技能人才。”
据了解,金相是指制备金属试样后,在显微镜下观察到的金属内部组织结构,能直观反映材料的成分、工艺与性能关系。这项技术是材料科学的基石,在航空航天、武器装备研制等领域具有重要应用价值。